上海江控阀门有限公司生产的手轮机构当调节机构失灵时,如气源中断,控制系统失灵及执行机构膜片损失时,可将气动调节阀切换成手动操作,使工艺过程正常进行。
采用手轮机构可以用来阻止阀的开度;在某些调节系统(如低压常温、无腐蚀、无粘结的干净介质,大口径管路)采用手轮机构来代替旁通管路,节省投资。
产品特点
1、体积小、重量轻、设计合理、式样新颖;
2、产品系列化,输出转矩与气动装置,各种阀门匹配。
3、蜗轮连接内孔有相隔90度的两个键槽,以便用户根据需要选择装置同阀体的相对位置。
4、可自由切换手动和气动:提起限位销,旋转偏心装置180度,限位销自动限位,实现气动;反之,实现手动;
5、产品出厂时,装有专用润滑脂,与阀装配后,整体密封、防尘、防水。
6、防护等为IP65。
| 手轮机构 |
1、减速器底面与阀门连接,支架面与气缸连接,阀轴也蜗轮内孔配合穿过,阀轴端四方与气缸方孔配合:(工作过程:气动时气缸带动阀轴,蜗轮同转。手动时蜗杆与蜗轮啮合,带动阀轴转动,气缸活塞亦随动。
2、转动手柄(外转180度)在合上蜗杆上,会出现柄齿现象,需转动手轮一个角度即可合上。
3、减速器的支架盖有三种,用户可根据需要选用,配置不同型号的气缸。
4、气动与手动不能同时驱动。
| 型号 | 速比 | 输入扭矩(N·M) | 输出钮矩(N·M) | 手轮直径(mm) | 重量(kg) |
|---|---|---|---|---|---|
| LH26 | 26:1 | 70 | 300 | 200 | 13 |
| LH38 | 30:1 | 60 | 500 | 200 | |
| 75 | 600 | 250 | |||
| 90 | 700 | 300 | 17 | ||
| LH54 | 54:1 | 100 | 1000 | 250 | |
| 120 | 1200 | 300 | |||
| LH80A | 80:1 | 110 | 1600 | 300 | 22 |
| 140 | 2000 | 400 | |||
| LH78 | 70:1 | 200 | 3100 | 600 |
![]() |
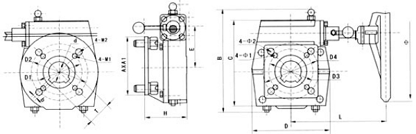
| 型号 | 中心孔参数 | 与阀连接尺寸 | 支架面连接尺寸(与执行器连接) | 离合器外形尺寸 | ||||||||||||||
|---|---|---|---|---|---|---|---|---|---|---|---|---|---|---|---|---|---|---|
| D | b | T | D1 | 4-M1 | D2 | 4-M2 | A×A1 | D3 | 4-Φ1 | D4 | 4-Φ2 | H1 | L | B | C | D | E | |
| LH26 | 22.2 | 8 | 25.5 | 70 | 4-M8 | / | / | 64×64 | 70 | 4-9 | / | 1 | 82 | 192 | 166 | 130 | 104 | 50.5 |
| LH38 | 38 | 10 | 41.3 | / | / | 102 | 4-M10 | 110×110 | / | / | 125 | 4-14 | 82 | 225 | 191 | 156 | 125 | 65.5 |
| LH54 | 48 | 14 | 51.8 | 102 | 4-M10 | 140 | 4-M16 | 130×30 | / | / | 140 | 4-18 | 95 | 233 | 234 | 199 | 175 | 85.5 |
| LH80A | 60 | 18 | 64.4 | 165 | 4-M20 | / | / | 165×156 | 165 | 4-22 | / | / | 114 | 277 | 311 | 279 | 234 | 123 |
| LH78 | 76.2 | 19 | 85.7 | 165 | 4-M20 | / | / | 156×156 | 165 | 4-22 | / | / | 120 | 323 | 350 | 322 | 276 | 141.6 |
注:由于产品改进技术创新参数可能有一定变化,公司不另行通知,请咨询公司技术部门索取新数据。