上海江控阀门有限公司生产的D971X电动凸耳式蝶阀,与电动执行器相连接后,可以控制阀门的开关或者调节(输入输出信号4-20mA)管道介质流量大小。
特点:
1、中心线圆盘
2、防吹杆设计
3、低摩擦座椅
4、零泄漏
5、体积小
6、重量轻
7、使用寿命长
8、可用于切断和调节介质
9、结构简单紧凑,快速90度开关操作 适
用场景:
D971X电动凸耳式蝶阀适用于1、水处理厂 2、啤酒厂 3、钻机4。供暖空调 5、造纸工业 6、化学工业 7、煤气厂 8、气动输送机 9、制糖工业 10、污水处理厂 11、冷却水循环 12、压缩空气等场合使用。
| D971X电动凸耳式蝶阀 |
| 公称通径DN(mm) | 40-300 | |
|---|---|---|
| 公称压力PN(MPa) | 1.0 | |
| 试验压力(MPa) | 壳体 | 1.5 |
| 密封 | 1.1 | |
| 适用温度 | -15 ~ 120度 | |
| 适用介质 | 饮用水、污水、海水等。 | |
| 阀体 | 阀板 | 转轴 | 衬套 | 阀座 | ||||
|---|---|---|---|---|---|---|---|---|
| 材料名称 | 代号 | 材料名称 | 代号 | 材料名称 | 材料名称 | 材料名称 | 代号 | 适用温度 |
灰铸铁 球墨铸铁 铝青铜 不锈钢 CF8M不锈钢 碳钢 | Z Q T P R C | 电镀球墨铸铁 铝青铜 不锈钢 钛钢 CF8M不锈钢 碳钢 | B1 B2 B3 B4 B5 B6 | 不锈钢 碳钢 | 润滑青铜 聚四氟乙烯 | 天然橡胶 海帕伦 乙丙橡胶 氯丁橡胶 丁晴橡胶 耐磨橡胶 氟橡胶 耐热乙丙橡胶 聚四氟乙烯 | X1 X2 X3 X4 X5 X6 X7 X9 F | -20~85度 -20~120度 -20~120度 -7~93度 -20~100度 -10~100度 -20~200度 -20~135度 -20~150度 |
| 执行器类别 | CH系列执行器参数 | HQ系列执行器参数 |
|---|---|---|
| 电源电压 | 标准:220V AC单相 可选:110V AC 单相、380/440V AC 三相、24V/110V/220V AC | |
| 输出力矩 | 50N·M~2000N·M | 50N·M~3000N·M |
| 动作范围 | 0~90° 0~360° | 0~90°、0°~270°可选 |
| 控制方式 | 开关到位灯(开关两位控制)、无源触点信号、1/5K电位计、智能调节(4~20mA模拟量信号控制) | |
| 动作时间 | 15秒/30秒/60秒 | 18S~112S |
| 保护装置 | 过热保护 | 内置过热保护、过载保护 |
| 环境温度 | -30°~60° | -20℃~+70℃ |
| 手动操作 | 同附带手柄操作 | 机械离合机构,配手轮操作 |
| 机械限位 | 电气、机械二重限位 | 2个外部调整螺栓 |
| 防护等级 | IP65 | IP65、IP67、可定制IP68 |
| 防爆等级 | 无防爆 | ExdⅡ BT4,ExdⅡ CT6 |
| 位置测量 | 可选装开关或电位计 | 电位计、比例控制单元 |
| 驱动电机 | 8W/E | 鼠笼式异步电机 |
| 进线接口 | PE1/2〞进线线锁 | 2个 PF 3/4" |
| 壳体材料 | 铝合金 | 钢,铝合金,铝青铜,聚碳酸脂 |
| 外涂层 | 干粉,环氧聚酯,具有超强防腐功能 | |
| 采用独特的电制动线路,因而定位精度高,执行机构灵敏,启动停止迅速,运行平稳。同时具有抗干扰、抗浪涌电压、防击穿能力强的特点 | ||
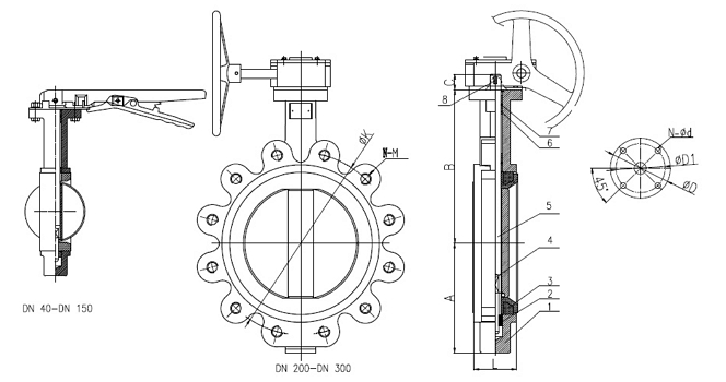
![]() |
| SIZE | A | B | C | L | ANSI 150B | GB PN 10 | GB PN 16 | JIS 10K | ISO 5211 | Top Flange | |||||||
|---|---|---|---|---|---|---|---|---|---|---|---|---|---|---|---|---|---|
| mm | in | oK | N-M | oK | N-M | oK | N-M | oK | N-M | oD | oD1 | N-od | |||||
| 40 | 1.5" | 70 | 164 | 32 | 33 | 98.5 | 4-1/2"-13UNC-2B | 110 | 4-M16 | 110 | 4-M16 | 105 | 4-M16 | 65 | 50 | 4-o8 | F05 |
| 50 | 2" | 80 | 169 | 32 | 43 | 120.6 | 4-5/8"-11UNC-2B | 125 | 4-M16 | 125 | 4-M16 | 120 | 4-M16 | 65 | 50 | 4-o8 | F05 |
| 65 | 2 1/2" | 89 | 176 | 32 | 46 | 139.7 | 4-5/8"-11UNC-2B | 145 | 4-M16 | 145 | 4-M16 | 140 | 4-M16 | 65 | 50 | 4-o8 | F05 |
| 80 | 3" | 95 | 183 | 32 | 46 | 152.4 | 4-5/8"-11UNC-2B | 160 | 8-M16 | 160 | 8-M16 | 150 | 8-M16 | 65 | 50 | 4-o8 | F05 |
| 100 | 4" | 114 | 201 | 32 | 52 | 190.5 | 8-5/8"-11UNC-2B | 180 | 8-M16 | 180 | 8-M16 | 175 | 8-M16 | 90 | 70 | 4-o10 | F07 |
| 125 | 5" | 127 | 214 | 32 | 56 | 215.9 | 8-3/4"-10UNC-2B | 210 | 8-M16 | 210 | 8-M16 | 210 | 8-M20 | 90 | 70 | 4-o10 | F07 |
| 150 | 6" | 139 | 229 | 32 | 56 | 241.3 | 8-3/4"-10UNC-2B | 240 | 8-M20 | 240 | 8-M20 | 240 | 8-M20 | 90 | 70 | 4-o10 | F07 |
| 200 | 8" | 175 | 257 | 45 | 60 | 298.4 | 8-3/4"-10UNC-2B | 295 | 8-M20 | 295 | 12-M20 | 290 | 12-M20 | 125 | 102 | 4-o12 | F10 |
| 250 | 10" | 203 | 280 | 45 | 68 | 361.9 | 12-7/8"-9UNC-2B | 350 | 12-M20 | 355 | 12-M24 | 355 | 12-M22 | 125 | 102 | 4-o12 | F10 |
| 300 | 12" | 242 | 327 | 45 | 78 | 431.8 | 12-7/8"-9UNC-2B | 400 | 12-M20 | 410 | 12-M24 | 400 | 16-M22 | 125 | 102 | 4-o12 | F10 |
注:由于产品改进技术创新参数可能有一定变化,公司不另行通知,请咨询公司技术部门索取新数据。
下载:上海江控阀门有限公司-产品样本-D971X电动凸耳式蝶阀.PDF
D971X电动凸耳式蝶阀链接:https://jakon.cn/list_4/382.html