一、气动衬氟球阀 产品概述
上海江控阀门有限公司生产的气动衬氟球阀,是由角行程气动执行机构和O型衬氟球阀组成。阀体内腔及球芯均采用高压注塑工艺衬有耐腐蚀、耐老化的聚全氟乙炳烯,故具有可靠的耐腐蚀性和密封性。根据工作条件,提供气动衬氟防爆球阀。
特点:
1.阀体内腔及球芯均采用高压注塑工艺衬有耐腐蚀、耐老化的聚全氟乙炳烯,具有可靠的耐腐蚀性和密封性。
2.体积小,重量轻,结构简单,安装维修方便。
3.流阻小,流通能力大。
适用场景:
适用于强酸、强碱等腐蚀性介质。
二、气动衬氟球阀 产品图片
 |  |
| 气动衬氟球阀 | 气动衬氟球阀(带手轮\电磁阀\阀位反馈) |
三、气动衬氟球阀 零部件参数
| 零件名称 | 材料名称 |
|---|
| 阀体、阀盖 | WCB+F46 | 304(CF8)+F46 | 316(CF8M)+F46 | 316L(CF3M)+F46 |
| 球体 | 2Cr13+氮化处理+46 | 304+46 | 316+46 | 316L+46 |
| 阀杆 | 2Cr13+46 | 304+46 | 316+46 | 316L+46 |
| 阀座密封圈 | PTFE、碳素纤维+PTFE |
| 密封填料 | 聚四氟乙烯填料 |
四、气动衬氟球阀 技术参数
| 公称通径(mm) | 15 | 20 | 25 | 32 | 40 | 50 | 65 | 80 | 100 | 125 | 150 | 200 | 250 | 300 |
|---|
| 公称压力(MPa) | PN1.0、1.6MPa |
| 泄漏量 | 软密封:零泄漏 |
| 阀体形式 | 两段式阀体(浮动球体) | 两段式阀体(固定球体) |
| 阀芯形式 | "O"型球形阀芯 |
| 密封填料 | 聚四氟乙烯(PTFE) |
| 连接形式 | 法兰 |
| 可调范围 | DN15-65 | DN80-300 |
| 250:1 |
| 基本误差 | 带定位器:小于全行程的±2% |
| 死区 | 带定位器:小于全行程的2% |
| 适用温度 | 密封面 |
| PTFE≤180℃ |
| 配置执行机构 | GT、AT、AR、AW系列单双作用气动执行机构 |
| 控制方式 | 开关两位控制、4-20mA模拟量控制 |
五、气动衬氟球阀 执行机构参数
| 执行器型号 | GT、AT、AR、AW系列单双作用气动执行器 |
|---|
| 供气压力 | 0.4~0.7MPa |
| 气源接口 | G1/4"、G1/8"、G3/8"、G1/2" |
| 环境温度 | -30~+70℃ |
| 作用形式 | 单作用执行机构:气关式(B)--失气时阀位开(FO);气开式(K)--失气时阀位关(FC) 双作用执行机构:气关式(B)--失气时阀位保持(FL);气开式(K)-- 失气时阀位保持(FL) |
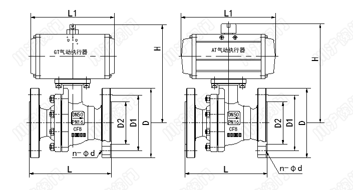
六、气动衬氟球阀 结构图
七、气动衬氟球阀 连接尺寸
| 公称通径DN(mm) | 主要尺寸 | 法兰尺寸 |
|---|
| PN1.6MPa | PN2.5MPa |
|---|
| L | H | L1 | D | D1 | D2 | n-φd | D | D1 | D2 | n-φd |
|---|
| 15 | 130 | 185 | 140 | 95 | 65 | 46 | 4-14 | 95 | 65 | 46 | 4-14 |
| 20 | 140 | 191 | 140 | 105 | 75 | 45 | 4-14 | 105 | 75 | 56 | 4-14 |
| 25 | 150 | 193 | 140 | 115 | 85 | 65 | 4-14 | 115 | 85 | 65 | 4-14 |
| 32 | 165 | 212 | 164 | 140 | 100 | 76 | 4-18 | 140 | 100 | 76 | 4-18 |
| 40 | 180 | 217 | 164 | 150 | 110 | 84 | 4-18 | 150 | 110 | 84 | 4-18 |
| 50 | 200 | 260 | 190 | 165 | 125 | 99 | 4-18 | 165 | 125 | 99 | 4-18 |
| 65 | 220 | 293 | 210 | 185 | 145 | 118 | 4-18 | 185 | 145 | 118 | 8-18 |
| 80 | 250 | 323 | 247 | 200 | 160 | 132 | 8-18 | 200 | 160 | 132 | 8-18 |
| 100 | 280 | 382 | 276 | 220 | 180 | 156 | 8-18 | 235 | 190 | 156 | 8-22 |
| 125 | 320 | 468 | 348 | 250 | 210 | 184 | 8-18 | 270 | 220 | 184 | 8-26 |
| 150 | 360 | 510 | 378 | 285 | 240 | 211 | 8-22 | 300 | 250 | 211 | 8-26 |
| 200 | 400 | 655 | 524 | 340 | 295 | 266 | 12-22 | 360 | 310 | 274 | 12-26 |
| 250 | 630 | / | / | 405 | 355 | 319 | 12-26 | 425 | 370 | 330 | 12-30 |
| 300 | 750 | / | / | 460 | 410 | 370 | 12-26 | 485 | 430 | 389 | 16-30 |
注:由于产品改进技术创新参数可能有一定变化,公司不另行通知,请咨询公司技术部门索取新数据。
下载:上海江控阀门有限公司-产品样本-气动衬氟球阀.PDF
气动衬氟球阀链接:https://jakon.cn/list_11/231.html