一、气动衬氟法兰蝶阀 产品概述
上海江控阀门有限公司生产的气动衬氟法兰蝶阀(亦称耐腐蚀气动蝶阀)是由气动活塞式执行器及四氟密封蝶阀组成。适用于温度≤180℃,有腐蚀性或洁净度有一定要求工况,气动衬氟蝶阀是在过流部件、阀体、蝶板、阀杆上采用衬里技术衬里较厚的高分子材料,防腐蚀性能优良,可适用于任何浓度的酸、碱、盐及氧化剂、还原剂、有机溶剂等介质,气动衬氟蝶阀是化工、石油、医药、食品、钢铁治炼、造纸、水电等系统的气体、液体、半流体的管路和容器上作截流和调节设备使用的理想产品。全衬聚四氟乙烯(F4)和聚全氟乙丙烯(F46)氟塑料衬里蝶阀,具有耐腐蚀、无泄漏、寿命长等优点。耐腐蚀气动蝶阀适用于浓硫酸、盐酸、硝酸、氢氟酸、王水、各种有机酸、强酸、氧化性介质或高温烯硫酸、高温浓醋酸、酸碱交替及多种有机溶剂和其它强腐蚀性介质。
特点:
1.体积小、重量轻、操作轻巧、便于安装、维修。
2、密封性能优良可靠、零泄漏,使用寿命长。
3、流量特性趋于直线,调节性能优。
4、结构简单,开关迅速,90°旋转启闭。
5、可代替闸阀、截止阀、旋塞阀、胶管阀及隔膜阀等各种阀门的使用。
6、可根据用户要求配置气动、电动装置,满足遥控和程控的需要。
7、衬氟蝶阀通过合理选材和采用特殊工艺结构。更换零件衬里材质可适用于各种介质。
8.广泛用于化工、农药、造纸、水处理、印染等强耐腐蚀开关或调节场合。若口径较大的耐腐蚀场合,建议选择耐腐蚀蝶阀。
适用场景:
气动衬氟法兰蝶阀可适用于任何浓度的酸、碱、盐及氧化剂、还原剂、有机溶剂等介质,气动衬氟蝶阀是化工、石油、医药、食品、钢铁治炼、造纸、水电等系统的气体、液体、半流体的管路和容器上作截流和调节设备使用的理想产品。
二、气动衬氟法兰蝶阀 产品图片
三、气动衬氟法兰蝶阀 材质参数
 |
| 序号 | 01 | 02 | 03 | 04 | 05 | 06 | 07 | 08 | 09 | 10 | 11 |
| 名称 | 气动执行机构 | 电磁阀 | 信号 | 阀体 | 蝶板 | 阀座 | 阀杆 | O型圈 | 弹性垫 | 弹簧平垫 | 螺栓、螺母 |
主要零件材料| 名称 | 材质 |
|---|
| 阀体、底座 | 铸钢、不锈钢、全衬氟 |
| 蝶板 | 铸钢、不锈钢及特殊材料、全衬氟 |
| 密封圈 | 各种橡胶、聚四氟 |
| 衬里材料 | F46' F4、PFA、PO、PE' PP |
| 阀杆 | 20*13、不锈钢、全衬氟 |
| 填料 | V型聚四氟乙烯填料、柔性石墨填料 |
四、气动衬氟法兰蝶阀 技术参数
| 阀体形式 | 直通铸造蝶阀 |
|---|
| 公称通径 | DN50~DN500mm |
| 公称压力 | PN1.0. 1.6 MPa |
| 法兰标准 | JISB220、JB/T79、ANSIB16.5-1981、GBAT9113、HG20594-97、HG20618-97等 |
| 连接形式 | 法兰式、对夹式 |
| 阀盖形式 | 一体式 |
| 压盖型式 | 压盖压紧式 |
| 密封填料 | V型聚四氟乙烯填料、柔性石墨填料 |
| 阀板形式 | 垂直板式(蝶形) |
| 流量特性 | 等百分比、快开、线性 |
| 执行器型号 | GT系列、SR系列.AT系列、AW系列、TH(QGSY)系列单双作用气动执行器 |
| 供气压力 | 400700KPa |
| 气源接口 | Gl/4 Gl/8 G3/8V Gl/2" |
| 环境温度 | -30~+70oC |
| 作用形式 | 单作用执行机构:气关式(B)--失气时阀位开(FO):气开式(K)--失气时阀位关(FC) |
| 双作用执行机构:气关式(B)--失气时阀位保持(FL):气开式(K)--失气时阀位保持(FL) |
| 可配附件 | 定位器、电磁阀、空气过滤减压器、保位阀.行程幵关、阀位传送器.手轮机构等 |
五、气动衬氟法兰蝶阀 执行器参数
| 执行器型号 | GT、AT、AR、AW系列单双作用气动执行器 |
|---|
| 供气压力 | 0.4~0.7MPa |
| 气源接口 | G1/4"、G1/8"、G3/8"、G1/2" |
| 环境温度 | -30~+70℃ |
| 作用形式 | 单作用执行机构:气关式(B)--失气时阀位开(FO);气开式(K)--失气时阀位关(FC) 双作用执行机构:气关式(B)--失气时阀位保持(FL);气开式(K)-- 失气时阀位保持(FL) |
六、气动衬氟法兰蝶阀 性能参数
| 公称通径DN(mm) | DN50~1200 |
|---|
| 公称压力 | PN(MPa) | 0.6 | 1.0 | 1.6 | 2.5 |
| 试验压力 | 强度试验 | 0.9 | 1.5 | 2.4 | 3.75 |
| 密封试验 | 0.66 | 1.1 | 1.76 | 2.75 |
| 低压气密试验 | 0.5~0.7 |
| 适用介质 | 浓硫酸、盐酸、硝酸、氢氟酸、王水、各种有机酸、强酸、氧化性介质或高温烯硫酸、高温浓醋酸、酸碱交替及多种有机溶剂和其它强腐蚀性介质。 |
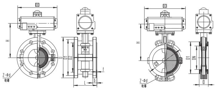
七、气动衬氟法兰蝶阀 结构图
八、气动衬氟法兰蝶阀 连接尺寸
| 公称通径 | 主要安装尺寸 |
|---|
| DN | L | D | D1 | D2 | f | b | z-d | D | D1 | D2 | f | b | z-d |
|---|
| mm | inch | 对夹 | 法兰 | PN0.6MPa | PNl.0MPa |
|---|
| 40 | 1-1/2 | 33 | 106 | 130 | 100 | 80 | 3 | 14 | 4-14 | 150 | 110 | 85 | 3 | 18 | 4-18 |
| 50 | 2 | 43 | 108 | 140 | 110 | 90 | 3 | 14 | 4-14 | 165 | 125 | 100 | 3 | 18 | 4-18 |
| 65 | 2Vi | 46 | 112 | 160 | 130 | 110 | 3 | 14 | 4-14 | 185 | 145 | 120 | 3 | 18 | 4-18 |
| 80 | 3 | 46 | 114 | 190 | 150 | 125 | 3 | 16 | 4-18 | 200 | 160 | 135 | 3 | 20 | 8-18 |
| 100 | 4 | 52 | 127 | 210 | 170 | 145 | 3 | 16 | 4-18 | 220 | 180 | 155 | 3 | 20 | 8-18 |
| 125 | 5 | 56 | 140 | 240 | 200 | 175 | 3 | 18 | 8-18 | 250 | 210 | 185 | 3 | 22 | 8-18 |
| 150 | 6 | 56 | 140 | 265 | 225 | 200 | 3 | 18 | 8-18 | 285 | 240 | 210 | 3 | 22 | 8-22 |
| 200 | 8 | 60 | 152 | 320 | 280 | 255 | 3 | 20 | 8-18 | 340 | 295 | 265 | 3 | 24 | 8-22 |
| 250 | 10 | 68 | 165 | 375 | 335 | 310 | 4 | 22 | 12-18 | 395 | 350 | 320 | 4 | 26 | 12-22 |
| 300 | 12 | 78 | 178 | 440 | 395 | 363 | 4 | 22 | 12-22 | 445 | 400 | 370 | 4 | 26 | 12-22 |
| 350 | 14 | 78 | 190 | 490 | 445 | 413 | 4 | 22 | 12-22 | 505 | 460 | 430 | 4 | 26 | 16-22 |
| 400 | 16 | 102 | 216 | 540 | 495 | 463 | 4 | 22 | 16-22 | 565 | 515 | 480 | 4 | 26 | 16-26 |
| 450 | 18 | 114 | 222 | 595 | 550 | 518 | 4 | 22 | 16-22 | 615 | 565 | 530 | 4 | 28 | 20-26 |
| 500 | 20 | 127 | 229 | 645 | 600 | 568 | 4 | 24 | 20-22 | 670 | 620 | 580 | 4 | 28 | 20-26 |
| 600 | 24 | 154 | 267 | 755 | 705 | 667 | 5 | 30 | 20-26 | 780 | 725 | 680 | 5 | 34 | 20-30 |
| 700 | 28 | 165 | 292 | 860 | 810 | 772 | 5 | 24 | 24-26 | 89S | 840 | 795 | 5 | 34 | 24-30 |
| 800 | 32 | 190 | 318 | 975 | 920 | 878 | 5 | 24 | 24-30 | 1015 | 950 | 900 | 5 | 36 | 24-33 |
| 900 | 36 | 203 | 330 | 1075 | 1020 | 980 | 5 | 26 | 24-30 | 111S | 1050 | 1000 | 5 | 38 | 28-33 |
| 1000 | 40 | 216 | 410 | 1175 | 1120 | 1080 | 5 | 26 | 28-30 | 1230 | 1160 | 1115 | 5 | 38 | 28-36 |
| 1200 | 48 | 254 | 470 | 1405 | 1340 | 1295 | 5 | 28 | 32-33 | 1455 | 1380 | 1330 | 5 | 44 | 32-39 |
| 公称通径 | 主要安装尺寸 |
|---|
| DN | L | D | D1 | D2 | f | b | z-d | D | D1 | D2 | f | b | z-d |
|---|
| mm | inch | 对夹式 | 法兰式 | PN1.6MPa | PN2.5MPa |
|---|
| 40 | 1-1/2 | 33 | 106 | 150 | 110 | 85 | 3 | 18 | 4-18 | 150 | 110 | 8S | 3 | 18 | 4-18 |
| 50 | 2 | 43 | 108 | 165 | 125 | 100 | 3 | 18 | 4-18 | 165 | 125 | 100 | 3 | 20 | 4-18 |
| 6S | 2W | 46 | 112 | 185 | 145 | 120 | 3 | 18 | 4-18 | 185 | 145 | 120 | 3 | 22 | 8-18 |
| 80 | 3 | 46 | 114 | 200 | 160 | 135 | 3 | 20 | 8-18 | 200 | 160 | 135 | 3 | 24 | 8-18 |
| 100 | 4 | 52 | 127 | 220 | 180 | 15S | 3 | 20 | 8-18 | 235 | 190 | 155 | 3 | 24 | 8-22 |
| 125 | S | 56 | 140 | 2S0 | 210 | 18S | 3 | 22 | 8-13 | 270 | 220 | 185 | 3 | 26 | 8-27 |
| 150 | 6 | 56 | 140 | 285 | 240 | 210 | 3 | 22 | 8-22 | 300 | 250 | 210 | 3 | 28 | 8-27 |
| 200 | 8 | 60 | 152 | 340 | 295 | 265 | 3 | 24 | 12-27 | 360 | 310 | 275 | 3 | 30 | 12-27 |
| 250 | 10 | 68 | 165 | 405 | 355 | 320 | 4 | 26 | 12-27 | 425 | 370 | 330 | 4 | 32 | 12-30 |
| 300 | 12 | 78 | 178 | 460 | 410 | 370 | 4 | 28 | 12-27 | 485 | 430 | 390 | 4 | 34 | 16-30 |
| 350 | 14 | 78 | 190 | 520 | 470 | 430 | 4 | 30 | 16-27 | 555 | 490 | 450 | 4 | 38 | 16-33 |
| 400 | 16 | 102 | 216 | 580 | 525 | 480 | 4 | 32 | 16-30 | 620 | 5SO | 505 | 4 | 40 | 16-36 |
| 450 | 18 | 114 | 222 | 640 | 585 | 550 | 4 | 40 | 20-30 | 670 | 600 | 550 | 4 | 46 | 20-36 |
| 500 | 20 | 127 | 229 | 715 | 650 | 610 | 5 | 44 | 20-33 | 730 | 660 | 610 | 5 | 4S | 20-36 |
| 600 | 24 | 154 | 267 | 840 | 770 | 720 | 5 | 54 | 20-36 | 845 | 770 | 720 | 5 | 58 | 20-39 |
| 400 | 28 | 165 | 292 | 910 | 340 | 759 | 5 | 42 | 24-36 | 960 | 875 | 800 | 5 | 50 | 24-42 |
| 800 | 32 | 190 | 318 | 1025 | 950 | 900 | 5 | 42 | 24-39 | 1085 | 990 | 940 | 5 | 54 | 24-48 |
| 900 | 36 | 203 | 330 | 1125 | 1050 | 1000 | 5 | 44 | 28-39 | 1185 | 1090 | 1040 | 5 | 58 | 28-48 |
| 1000 | 40 | 216 | 410 | 1255 | 1170 | 1110 | 5 | 46 | 28-42 | 1320 | 1210 | 1150 | 5 | 62 | 28-55 |
| 1200 | 48 | 254 | 470 | 1485 | 1390 | 1330 | 5 | 52 | 32-48 | 1530 | 1420 | 1360 | 5 | 70 | 32-55 |
注:由于产品改进技术创新参数可能有一定变化,公司不另行通知,请咨询公司技术部门索取新数据。
下载:上海江控阀门有限公司-产品样本-气动衬氟法兰蝶阀.PDF
气动衬氟法兰蝶阀链接:https://jakon.cn/list_11/234.html