一、电动高压内螺纹球阀 产品概述
上海江控阀门有限公司生产的电动高压内螺纹球阀由锻钢高压阀体及电子式角行程电动执行器组成。电动执行器采用一体式结构,输入220V电源即可直接进行开关量调节,亦可内置伺服模块,输入控制信号(4~20mADC或1~5VDC)及单相电源即可控制运转。电动高压螺纹球阀主要零部件经过专业厂家锻制,克服了铸钢阀门潜在的缺陷,在大工作压力下能够保持其结构的抗压均匀性。适用介质: 水、油、气等非腐蚀性介质和酸碱腐蚀性介质。
型号:
CHQ911F、CHQ911PPL、CHQ911N
特点:
1、阀门大小范围广,小可以做到6mm,大通径可以做到100mm
2、电动高压内螺纹球阀开闭灵活、密封可靠,适合在泄露要求严格的场合使用
3、高压球阀阀体可以和精小型电动执行器或者防爆型电动执行器组合使用,覆盖应用场所广泛。
适用场景:
电动高压螺纹球阀广泛应用于化工、石油、天然气、冶金、等行业及含硫化氢介质、杂质多、腐蚀严重的场合。
二、电动高压内螺纹球阀 产品图片
三、电动高压内螺纹球阀 主要零部件材料
| 零件名称 | 材料名称 |
|---|
| 阀体 | WCB | 304(CF8) | 316(CF8M) | 316L(CF3M) |
| 球体 | 2Cr13+氮化处理 | 304 | 316 | 316L |
| 阀杆 | 2Cr13 | 304 | 316 | 316L |
| 密封圈 | 聚四氟乙烯(PTFE)、增强聚四氟乙烯(PPL)、对位聚苯、柔性石墨 |
四、电动高压内螺纹球阀 技术参数
| 公称通径 DN(mm) | DN6 ~ 50 |
|
|
|
|
|
|---|
| 允许压差(MPa) | ≤公称压力 |
|
|
|
|
|
| 阀体形式 | 三分体式锻造阀体 |
|
|
|
|
|
| 公称压力 | PN16.0、25.0、32.0、42.0 MPa;ANSI 150、300、600、900、1500、2500LB |
|
|
|
|
|
| 连接形式 | 螺纹式(外螺纹、内螺纹) |
|
|
|
|
|
| 密封填料 | 尼龙、V型聚四氟乙烯填料等 |
|
|
|
|
|
| 阀芯形式 | O型球体阀芯 |
|
|
|
|
|
| 流量特性 | 近似快开特性 |
|
|
|
|
|
| 动作范围 | 0~90°、0~360° |
|
|
|
|
|
| 泄露量Q | 软密封:零泄漏 |
|
|
|
|
|
| 基本误差 | ±1% |
|
|
|
|
|
| 回差 | ±1% |
|
|
|
|
|
| 死区 | ≤1%(可调) |
|
|
|
|
|
| 可调范围 | 250:1 |
|
|
|
|
|
| 配置执行机构 | 可配CHV、CHQ等系列角行程电动执行机构 |
| 控制方式 | 开关到位灯(开关两位控制)、无源触点信号、1/5K电位计、智能调节(4~20mA模拟量信号控制) |
五、电动高压内螺纹球阀 执行器参数
| 执行器类别 | CHV系列执行器参数 | CHQ系列执行器参数 |
|---|
| 电源电压 | 标准:220V AC单相 可选:110V AC 单相、380/440V AC 三相、24V/110V/220V AC |
| 输出力矩 | 50N·M~2000N·M | 50N·M~3000N·M |
| 动作范围 | 0~90° 0~360° | 0~90°、0°~270°可选 |
| 控制方式 | 开关到位灯(开关两位控制)、无源触点信号、1/5K电位计、智能调节(4~20mA模拟量信号控制) |
| 动作时间 | 15秒/30秒/60秒 | 18S~112S |
| 保护装置 | 过热保护 | 内置过热保护、过载保护 |
| 环境温度 | -30°~60° | -20℃~+70℃ |
| 手动操作 | 同附带手柄操作 | 机械离合机构,配手轮操作 |
| 机械限位 | 电气、机械二重限位 | 2个外部调整螺栓 |
| 防护等级 | IP65 | IP65、IP67、可定制IP68 |
| 防爆等级 | 无防爆 | ExdⅡ BT4,ExdⅡ CT6 |
| 位置测量 | 可选装开关或电位计 | 电位计、比例控制单元 |
| 驱动电机 | 8W/E | 鼠笼式异步电机 |
| 进线接口 | PE1/2〞进线线锁 | 2个 PF 3/4" |
| 壳体材料 | 铝合金 | 钢,铝合金,铝青铜,聚碳酸脂 |
| 外涂层 | 干粉,环氧聚酯,具有超强防腐功能 |
| 采用独特的电制动线路,因而定位精度高,执行机构灵敏,启动停止迅速,运行平稳。同时具有抗干扰、抗浪涌电压、防击穿能力强的特点 |
六、电动高压内螺纹球阀 性能规范
| 公称通径DN(mm) | DN15-300 |
|---|
| 公称压力 | PN(MPa) | 10.0 | 16.0 | 25.0 | 32.0 | 42.0 |
| 试验压力 | 强度试验 | 15.0 | 24.0 | 37.5 | 48.0 | 63.0 |
| 密封试验 | 11.0 | 17.6 | 27.5 | 35.2 | 46.2 |
| 低压气密试验 | 0.5~0.7 |
| 适用介质 | 天然气、水、油、蒸气、硝酸类(温度≤130℃)、醋酸类(温度≤200℃) |
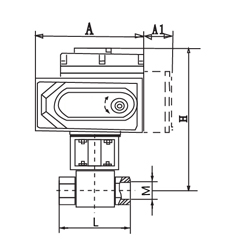
七、电动高压内螺纹球阀 结构图
八、电动高压内螺纹球阀 连接尺寸
| 公称通径 | 6 | 8 | 10 | 15 | 20 | 25 | 32 | 40 | 50 |
|---|
| L | 72 | 72 | 78 | 86 | 108 | 116 | 136 | 148 | 180 |
| M | M14X1.5 | M14X1.5 | M18X1.5 | M22X1.5 | M27X2 | M33X2 | M42X2 | M48X2 | M64X2 |
A1 | 40 | 40 | 40 | 40 | 40 | 40 | 40 | 40 | 40 |
注:由于产品改进技术创新参数可能有一定变化,公司不另行通知,请咨询公司技术部门索取新数据。
下载:上海江控阀门有限公司-产品样本-电动高压内螺纹球阀.PDF
电动高压内螺纹球阀链接:https://jakon.cn/list_2/43.html