一、三片式电动法兰球阀 产品概述
上海江控阀门有限公司生产的三片式电动法兰球阀是三片式球阀设计,可以在管道上拆解维修更换部分阀体。适合在中低压管道中使用。可以灵活的控制阀门开关(配开关型电动执行机构)和调节流量大小(配调节型电动执行机构)。
型号:
CHQ941F、CHQ941PPL、CHQ941N
特点:
1.三片式电动法兰球阀由三部分组成,便于后期维护与更换。
2.先进的硅溶胶工艺,结构合理、造型美观。
3.阀座采用弹性密封结构,开关省力,轻巧,密封性能良好。
4.阀杆采用有倒密封下装式结构,阀杆不会因为内部受压飞出,确保安全性。
适用场景:
三片式电动法兰球阀广泛适用于PN1.0~4.0MPa,工作温度-29~180℃(密封圈为增强聚四氟乙烯)或-29~300℃(密封圈为对位聚苯)的各种管路上,用于截断或接通管路中的介质。选用不同的材质,可分别适用于水、蒸汽、油品、硝酸、醋酸等多种介质。
二、三片式电动法兰球阀 产品图片
三、三片式电动法兰球阀 主要零部件材料
| 零件名称 | 材料名称 |
|---|
| 阀体 | WCB | 304(CF8) | 316(CF8M) | 316L(CF3M) |
| 球体 | 2Cr13+氮化处理 | 304 | 316 | 316L |
| 阀杆 | 2Cr13 | 304 | 316 | 316L |
| 密封圈 | 聚四氟乙烯(PTFE)、增强聚四氟乙烯(PPL)、对位聚苯、柔性石墨 |
四、三片式电动法兰球阀 技术参数
| 公称通径 | 15~100mm |
|---|
| 公称压力 | PN1.6、2.5、4.0MPa |
| 阀体材质 | 碳钢、304、316、316L |
| 球体材质 | 304/316/316L不锈钢 |
| 阀杆材质 | 304/316/316L不锈钢 |
| 阀座密封 | PTFE |
| 温 度 | PTFE≤150℃ |
| 连接型式 | 法兰式 |
| 适用介质 | 水、气体、油品等 |
| 特 点 | 密封好、使用寿命长 |
五、三片式电动法兰球阀 执行器参数
| 执行器类别 | CHV系列执行器参数 | CHQ系列执行器参数 |
|---|
| 电源电压 | 标准:220V AC单相 可选:110V AC 单相、380/440V AC 三相、24V/110V/220V AC |
| 输出力矩 | 50N·M~2000N·M | 50N·M~3000N·M |
| 动作范围 | 0~90° 0~360° | 0~90°、0°~270°可选 |
| 控制方式 | 开关到位灯(开关两位控制)、无源触点信号、1/5K电位计、智能调节(4~20mA模拟量信号控制) |
| 动作时间 | 15秒/30秒/60秒 | 18S~112S |
| 保护装置 | 过热保护 | 内置过热保护、过载保护 |
| 环境温度 | -30°~60° | -20℃~+70℃ |
| 手动操作 | 同附带手柄操作 | 机械离合机构,配手轮操作 |
| 机械限位 | 电气、机械二重限位 | 2个外部调整螺栓 |
| 防护等级 | IP65 | IP65、IP67、可定制IP68 |
| 防爆等级 | 无防爆 | ExdⅡ BT4,ExdⅡ CT6 |
| 位置测量 | 可选装开关或电位计 | 电位计、比例控制单元 |
| 驱动电机 | 8W/E | 鼠笼式异步电机 |
| 进线接口 | PE1/2〞进线线锁 | 2个 PF 3/4" |
| 壳体材料 | 铝合金 | 钢,铝合金,铝青铜,聚碳酸脂 |
| 外涂层 | 干粉,环氧聚酯,具有超强防腐功能 |
| 采用独特的电制动线路,因而定位精度高,执行机构灵敏,启动停止迅速,运行平稳。同时具有抗干扰、抗浪涌电压、防击穿能力强的特点 |
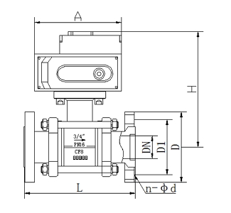
六、三片式电动法兰球阀 结构图
七、三片式电动法兰球阀 连接尺寸
| SIZE | 1/2" | 3/4" | 1" | 11/4" | 11/2" | 2" | 2-1/2" | 3" | 4" |
|---|
| 通径 | 15 | 20 | 25 | 32 | 38 | 50 | 65 | 76 | 100 |
| L | 130 | 150 | 160 | 180 | 200 | 230 | 290 | 310 | 350 |
| D | 95 | 105 | 115 | 135 | 145 | 160 | 180 | 195 | 230 |
| D1 | 65 | 75 | 85 | 100 | 110 | 125 | 145 | 160 | 190 |
| D2 | 45 | 55 | 65 | 78 | 85 | 100 | 120 | 135 | 160 |
| H | 250 | 250 | 255 | 260 | 280 | 300 | 340 | 350 | 370 |
| A | 161 | 161 | 161 | 161 | 188 | 188 | 268 | 268 | 268 |
| n-d | 4-14 | 4-14 | 4-14 | 4-18 | 4-18 | 8-18 | 8-18 | 8-18 | 8-22 |
注:由于产品改进技术创新参数可能有一定变化,公司不另行通知,请咨询公司技术部门索取新数据。
下载:上海江控阀门有限公司-产品样本-三片式电动法兰球阀.PDF
三片式电动法兰球阀链接:https://jakon.cn/list_2/46.html