上海江控阀门有限公司生产的顶装活塞压力调节阀,由阀体、阀座、阀芯部件等组成,是一种无需外来能源而只依靠被调介质自身的压力变化进行自动调节压力的节能型产品,可用于非腐蚀性的液体、气体和蒸汽等介质的压力控制装置。和ZZYP系列相比,控制弹簧由于离阀体较远,不易受介质温度而影响,以及更易于更换或调整弹簧的特点。因此顶装活塞压力调节阀广泛用于石油、化工、冶金、轻工等工业部门及城市供热、供暖系统。顶装活塞压力调节阀系列产品公称压力PN16、40,公称通径范围20~300mm,使用温度≤350℃。多种多样的品种可供选择。比老型式有更大压差范围。
| 顶装活塞压力调节阀(不锈钢法兰连接) |
| 公称通径DN | 20 | 20 | 20 | 20 | 20 | 65 | 80 | 100 | 125 | 150 | 200 | 250 | 300 | |
|---|---|---|---|---|---|---|---|---|---|---|---|---|---|---|
| 额定流量系数Kv | 7 | 11 | 20 | 30 | 48 | 75 | 120 | 190 | 300 | 480 | 760 | 1100 | 1750 | |
| 额定行程L(mm) | 8 | 10 | 14 | 20 | 25 | 40 | 50 | 60 | 70 | |||||
| 公称压力(MPa) | 1.6、4.0 | |||||||||||||
| 压力调节范围(KPa) | 15~50、40~80、60~100、80~140、120~180、160~220、200~260、 240~300、280~350、330~400、380~450、430~500、480~560、540~620、 600~700、680~800、780~900、880~1000、600~1500、1000~2500 | |||||||||||||
| 固有流量特质 | 快开 | |||||||||||||
| 调节精度(%) | ±5 | |||||||||||||
| 使用温度(℃) | ≤350 | |||||||||||||
| 允许泄漏量 | 硬密封(1/h) | 单座:≤10-4×阀额定容量(Ⅳ级)、双座和套筒:≤5×10-3阀额定容量(Ⅱ级) | ||||||||||||
| 软密封(m1/min) | 0.15 | 0.30 | 0.45 | 0.60 | 0.90 | 1.70 | 4.0 | 6.75 | 11.10 | 16.0 | ||||
| 减压比 | 大 | 10 | ||||||||||||
| 小 | 1.25 | |||||||||||||
| 阀体 | ZG230~450、ZG1Cr18Ni9Ti、ZGCr18Ni12Mo2Ti |
|---|---|
| 阀芯 | 1Cr18Ni9Ti、Cr18Ni12Mo2Ti |
| 阀座 | 1Cr18Ni9Ti、Cr18Ni12Mo2Ti |
| 阀杆 | 1Cr18Ni9Ti、Cr18Ni12Mo2Ti |
| 膜盖 | A3、1Cr18Ni9Ti |
| 填料 | 聚四氟乙烯、柔性石墨 |
| 膜片 | 丁腈橡胶、耐油橡胶、氟橡胶 |
![]() |
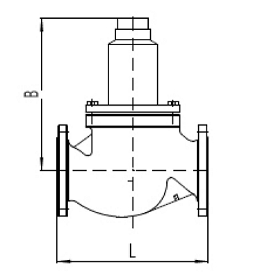
| 公称通径DN | 15 | 20 | 25 | 32 | 40 | 50 | 65 | 80 | 100 | 125 | 150 | 200 | 250 |
|---|---|---|---|---|---|---|---|---|---|---|---|---|---|
| L | 130 | 181 | 184 | 200 | 222 | 254 | 276 | 298 | 352 | 410 | 451 | 600 | 650 |
| B | 212 | 212 | 238 | 238 | 240 | 240 | 275 | 275 | 380 | 380 | 430 | 430 | 430 |
注:由于产品改进技术创新参数可能有一定变化,公司不另行通知,请咨询公司技术部门索取新数据。
下载:上海江控阀门有限公司-产品样本-顶装活塞压力调节阀.PDF
顶装活塞压力调节阀链接:https://jakon.cn/list_12/213.html