一、气动衬胶蝶阀 产品概述
上海江控阀门有限公司生产的气动衬胶蝶阀分为气动半衬胶蝶阀和气动全衬胶蝶阀,非常适用于脱硫脱硝系统中使用,具有很强的抗腐蚀性能,阀体材质采用铸钢或者不锈钢,阀板可以用不锈钢、双相不锈钢或者碳钢衬胶等材质,性价比高、种类齐全,气动衬胶蝶阀可以选配电磁阀作为开关控制、选配阀门定位器来实现对管道介质流量大小的调节。
特点:
1、设计新颖、合理、结构独特,重量轻,启闭迅速。
2、密封件可以更换,密封性能可靠达到双向密封零泄漏。
3、密封材料耐老化、耐腐蚀,使用寿命长等特点。
4、两截式阀杆无销连接,结构简单紧凑,维修方便。
5、阀座密封与靠背一体结构,减少阀座变形量。
6、阀杆轴向定位装置,增强密封性、减少阀门扭矩。
7、可以任何位置安装,维修方便。
适用场景:
气动衬胶蝶阀广泛应用于化工、建材、电站、玻璃等行业中的通风、环保工程的含尘冷风或热风气体管道中,作为气体介质调节流量或切断装置。
二、气动衬胶蝶阀 产品图片
 |  |
| 气动衬胶蝶阀 | 气动衬胶蝶阀 |
三、气动衬胶蝶阀 零部件材料
| 零件名称 | 材料名称 |
|---|
| 阀体 | 铸铁、铸钢、不锈钢、铬钼钢、合金钢 |
| 蝶板 | 铸钢、合金钢(镀硬铬)、不锈钢、铬钼钢 |
| 密封圈 | 橡胶、PTFE、PPL、不锈钢、聚内脂、抗磨材料 |
| 阀杆 | 2Cr13、1Cr13不锈钢、铬钼钢 |
| 填料 | 聚四氟乙烯、柔性石墨 |
四、气动衬胶蝶阀 技术参数
| 阀体形式 | 直通铸造蝶阀 |
|---|
| 公称通径 | DN50~1200mm |
|---|
| 公称压力 | PN1.0、1.6、2.5MPa |
|---|
| 法兰标准 | JIS B220、JB/T79、ANSI B16.5-1981、GB/T9113、HG20594-97、HG20618-97等 |
|---|
| 连接形式 | 对夹式 |
|---|
| 阀盖形式 | 一体式 |
|---|
| 压盖型式 | 压盖压紧式 |
|---|
| 密封填料 | V型聚四氟乙烯填料、柔性石墨填料 |
|---|
五、气动衬胶蝶阀 执行器参数
| 执行器型号 | GT、AT、AR、AW系列单双作用气动执行器 |
|---|
| 供气压力 | 0.4~0.7MPa |
| 气源接口 | G1/4"、G1/8"、G3/8"、G1/2" |
| 环境温度 | -30~+70℃ |
| 作用形式 | 单作用执行机构:气关式(B)--失气时阀位开(FO);气开式(K)--失气时阀位关(FC) 双作用执行机构:气关式(B)--失气时阀位保持(FL);气开式(K)-- 失气时阀位保持(FL) |
六、气动衬胶蝶阀 性能规范
| 公称通径DN(mm) | DN50~1200 |
|---|
| 公称压力 | PN(MPa) | 0.6 | 1.0 | 1.6 | 2.5 |
| 试验压力 | 强度试验 | 0.9 | 1.5 | 2.4 | 3.75 |
| 密封试验 | 0.66 | 1.1 | 1.76 | 2.75 |
| 低压气密试验 | 0.5~0.7 |
| 适用介质 | 水、油(温度≤90℃)、蒸气、硝酸类(温度≤200℃)、醋酸类(温度≤200℃) |
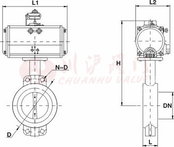
七、气动衬胶蝶阀 结构图
八、气动衬胶蝶阀 连接尺寸
| PN1.0~1.6MPa |
|---|
公称 通径 DN | 外型尺寸mm | 外型连接尺寸 | 执行器型号 |
|---|
| L | L1 | L2 | H | D | N-D |
|---|
| 50 | 42 | 141/159 | 71/83 | 269/281 | 120 | 4-23 | AT-D-52/AT-S-63 |
| 65 | 44.7 | 159/211 | 83/95 | 283/303 | 136.2 | 4-26.5 | AT-D-63/AT-S-75 |
| 80 | 45.2 | 159/248 | 83/107 | 289/309 | 160 | 8-18 | AT-D-63/AT-S-88 |
| 100 | 52.1 | 211/269 | 95/123 | 320/338 | 185 | 4-24.5 | AT-D-75/AT-S-100 |
| 125 | 54.4 | 248/269 | 107/123 | 351/366 | 215 | 4-23 | AT-D-88/AT-S-100 |
| 150 | 55.8 | 269/345 | 123/152 | 380/405 | 238 | 4-25 | AT-D-100/AT-S-125 |
| 200 | 60.6 | 345/409 | 152/172 | 435/477 | 295 | 4-29 | AT-D-125/AT-S-145 |
| 250 | 65.6 | 409/438 | 172/187 | 509/552 | 357 | 4-29 | AT-D-145/AT-S-160 |
| 300 | 76.5 | 438/550 | 187/215 | 597/622 | 407 | 4-30 | AT-D-160/AT-S-190 |
| 350 | 76.5 | 550/600 | 215/240 | 653/688 | 467 | 4-30 | AT-D-190/AT-S-210 |
| 400 | 86.5 | 550/633 | 215/262 | 720/787 | 515 | 4-30 | AT-D-190/AT-S-240 |
| 450 | 105.6 | 600/633 | 240/262 | 772/858 | 565 | 4-30 | AT-D-210/AT-S-240 |
| 500 | 131.8 | 633/730 | 262/330 | 867/1004 | 620 | 4-33 | AT-D-240/AT-S-270 |
| 600 | 152 | 730/1700 | 330/- | 998/1220 | 725 | 4-36 | AT-D-270/AW-S-25 |
| 700 | 163 | 1320/1970 | - | 1116/1282 | 840 | 4-36 | AW-D-25/AW-S-28 |
| 800 | 188 | 1430/2700 | - | 1330/1007 | 950 | 4-39 | AW-D-28/AW-S-35 |
注:由于产品改进技术创新参数可能有一定变化,公司不另行通知,请咨询公司技术部门索取新数据。
下载:上海江控阀门有限公司-产品样本-气动衬胶蝶阀.PDF
气动衬胶蝶阀链接:https://jakon.cn/list_5/364.html