上海江控阀门有限公司生产的气动三偏心法兰蝶阀采用的是三维偏心原理设计,使密封面的空间运动轨迹达到理想化,密封面相互之间无磨擦、无干涉,加之密封材料选择得当,从而使蝶阀的密封性、耐腐蚀性、耐高温性和耐磨性等得到了可靠的保证。
气动三偏心法兰蝶阀特点:
1、开启力矩小,灵活方便,省力节能;
2、三维偏心结构,使蝶板越关越紧,其密封性能可靠,达到无泄漏;
3、耐高压、耐腐蚀、耐磨损、使用寿命长等。
适用场景:
气动三偏心法兰蝶阀广泛应用于冶金、电力、石油、化工、空气、煤气、可燃气体以及给排水等腐蚀性介质的管道上。
| 气动三偏心法兰蝶阀(AW型单作用气缸) | 气动三偏心法兰蝶阀(AW型双作用气缸) |
| 零件名称Parts name | 材料Material |
|---|---|
| 阀体Body | 铸铁、不锈钢、铬钼钢、合金钢 Cast iron,stainless steel,Cr.Mo.Steel,alloy steel |
| 蝶板Disc | 铸钢、合金钢、不锈钢、铬钼钢Cast steel,Alloy steel,stainless steel,Cr.Mo.Steel |
| 密封圈Seal ring | 不锈钢与耐高温石棉板组合成多层次Stainless steel,multi-layer asbestos with tempertuer resistant |
| 阀杆Stem | 2Cr13、1Crl3不锈钢、铬钼钢Stainless steel,.Cr.Mo.Steel |
| 轴承Bearing | 奥氏体不锈钢、304氮化ZG00Cr18Ni10,304 nitrification Austenite stainless steel,Cr-Mo steel |
| 填料Packing | 柔性石墨Flexible graphite |
| 公称通径Nominal diameter | DN (mm) | 50-2000 | 50-500 | |||
|---|---|---|---|---|---|---|
| 公称压力 Nominal pressure | PN (MPa) | 0.6 | 1.0 | 1.6 | 2.5 | 4.0 |
| 强度试验 Intensity Test | 0.9 | 1.5 | 2.4 | 3.75 | 6.0 | |
| 试验压力Ps(MPa) Test pressure | 密封试验Seal Test | 0.66 | 1.1 | 1.76 | 2.75 | 4.4 |
| 气密试验Air Test | 0.6 | 0.6 | 0.6 | 0.6 | 0.6 | |
| 渗漏率Leakage | <0.1XDNmm/s(符合GB/T13927-92标准 standard)(Conforming to GB/T13927 Standard) | |||||
| 适用温度 Appropriate temperatuer | 碳钢Carbon steel:-29℃-425℃不锈钢Stainless steel:-40℃-600℃ | |||||
| 适用介质 Appropriate medium | 空气、水、蒸气、煤气、油品以及酸、碱、盐带有弱腐蚀性介质等 Air,water,steam,coal gas,oil,alkali,saline with low corrosive service,etc. | |||||
| 驱动形式Method | 蜗杆蜗轮传动、气传动、电传动Worm gear,pneumatic,electric | |||||
| 执行器型号 | GT、AT、AR、AW系列单双作用气动执行器 |
|---|---|
| 供气压力 | 0.4~0.7MPa |
| 气源接口 | G1/4"、G1/8"、G3/8"、G1/2" |
| 环境温度 | -30~+70℃ |
| 作用形式 | 单作用执行机构:气关式(B)--失气时阀位开(FO);气开式(K)--失气时阀位关(FC) |
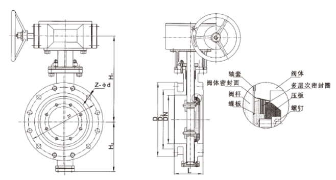
![]() |
![]() |
| 公称通径 | 外型尺寸 | 连接尺寸 | |||||||||||||
|---|---|---|---|---|---|---|---|---|---|---|---|---|---|---|---|
| 0.6MPa | 1.0MPa | 1.6MPa | |||||||||||||
| DN | L | H1 | H2 | D | D1 | D2 | Z-d | D | D1 | D2 | Z-d | D | D1 | D2 | Z-d |
| 100 | 127 | 285 | 105 | 210 | 170 | 144 | 4-18 | 220 | 180 | 156 | 8-18 | 220 | 180 | 156 | 8-018 |
| 125 | 140 | 300 | 125 | 240 | 200 | 174 | 8-18 | 250 | 210 | 184 | 8-18 | 250 | 210 | 184 | 8-18 |
| 150 | 140 | 320 | 140 | 265 | 225 | 199 | 8-18 | 285 | 240 | 211 | 8-22 | 285 | 240 | 211 | 8-22 |
| 200 | 152 | 370 | 180 | 320 | 280 | 254 | 8-18 | 340 | 295 | 266 | 8-22 | 340 | 295 | 266 | 12-22 |
| 250 | 165 | 420 | 200 | 375 | 335 | 309 | 12-18 | 395 | 350 | 319 | 12-22 | 405 | 355 | 319 | 12-26 |
| 300 | 178 | 500 | 250 | 440 | 395 | 363 | 12-22 | 445 | 400 | 370 | 12-22 | 460 | 410 | 370 | 12-26 |
| 350 | 190 | 530 | 270 | 490 | 445 | 413 | 12-22 | 505 | 460 | 429 | 16-22 | 520 | 470 | 429 | 16-26 |
| 400 | 216 | 570 | 300 | 540 | 495 | 463 | 16-22 | 565 | 515 | 480 | 16-26 | 580 | 525 | 480 | 16-30 |
| 450 | 222 | 600 | 320 | 595 | 550 | 518 | 16-22 | 615 | 565 | 530 | 20-26 | 640 | 585 | 548 | 20-30 |
| 500 | 229 | 680 | 360 | 645 | 600 | 568 | 20-22 | 670 | 620 | 582 | 20-026 | 715 | 650 | 609 | 20-33 |
| 600 | 267 | 750 | 420 | 755 | 705 | 667 | 20-26 | 780 | 725 | 682 | 20-30 | 840 | 770 | 720 | 20-36 |
| 700 | 292 | 810 | 480 | 860 | 810 | 772 | 24-26 | 895 | 840 | 794 | 24-30 | 910 | 840 | 794 | 24-36 |
| 800 | 318 | 905 | 540 | 975 | 920 | 878 | 24-30 | 1015 | 950 | 901 | 24-33 | 1025 | 950 | 901 | 24-39 |
| 900 | 330 | 960 | 590 | 1075 | 1020 | 978 | 24-30 | 1115 | 1050 | 1001 | 28-033 | 1125 | 1050 | 1001 | 28-39 |
| 1000 | 410 | 1010 | 640 | 1175 | 1120 | 1078 | 28-30 | 1230 | 1160 | 1112 | 28-036 | 1255 | 1170 | 1112 | 28-42 |
| 1200 | 470 | 1175 | 750 | 1405 | 1340 | 1295 | 32-33 | 1455 | 1380 | 1328 | 32-039 | 1485 | 1390 | 1328 | 32-48 |
| 1400 | 530 | 1310 | 860 | 1630 | 1560 | 1510 | 36-36 | 1675 | 1590 | 1530 | 36-42 | 1685 | 1590 | 1530 | 36-48 |
| 1600 | 600 | 1460 | 980 | 1830 | 1760 | 1710 | 40-36 | 1915 | 1820 | 1750 | 40-48 | 1930 | 1820 | 1750 | 40-55 |
| 1800 | 670 | 1560 | 1090 | 2045 | 1970 | 1918 | 44-39 | 2115 | 2020 | 1950 | 44-48 | 2130 | 2020 | 1950 | 44-55 |
| 2000 | 760 | 1670 | 1190 | 2265 | 2180 | 2125 | 48-f32 | 2325 | 2230 | 2150 | 48-48 | 2345 | 2230 | 2150 | 48-60 |
注:由于产品改进技术创新参数可能有一定变化,公司不另行通知,请咨询公司技术部门索取新数据。
下载:上海江控阀门有限公司-产品样本-气动三偏心法兰蝶阀.PDF
气动三偏心法兰蝶阀链接:https://jakon.cn/list_5/371.html