一、气动陶瓷球阀 产品概述
上海川沪阀门有限公司生产的气动陶瓷球阀适用于高硬度的颗粒介质,或有软颗粒但又有腐蚀性的介质管道上作启闭之用。公称压力1.6MPa,适应温度小于200C。与介质接触的部会均为结构陶瓷材料,其化学稳定性及硬度极高(洛氏硬度HRC88),仅次于金刚石。因此,电动陶瓷球阀具有极高的耐磨损、耐腐蚀、耐冲蚀性能,且隔热性好、热膨胀小。其中和气动执行机构组合后,能实现快速开闭(配电磁阀和限位开关)或调节流量大小(配阀门定位器)。
型号:CHQ641TC
特点:
1.球体采用先进研磨设备及工艺制造,球体度精度高,表画质量好,与阀座对研后,利用Zr02陶瓷的自润滑性,可取得很好的密封性能。
2.陶瓷良好的耐磨性,让电动陶瓷球阀经久耐用,可靠性极高,使用寿命长,是钛合金阀和蒙乃尔阀的2- -4倍。
适用场景:
气动陶瓷球阀适用于矿浆、砂石等需要耐磨的场合使用。
二、气动陶瓷球阀 产品图片
三、气动陶瓷球阀 零部件材料
| 名称 | 材料 |
|---|
| 阀盖 | WCB |
| 中体 | WCB |
| 中体套 | 工程陶瓷 |
| 阀座 | 工程陶瓷 |
| 法兰套 | 工程陶瓷 |
| 球 | 工程陶瓷 |
| O型圈 | 氟橡胶 |
| 弹簧 | 17-4PH |
| 阀杆 | 35 |
| 填料 | PTFE |
| 等长双头螺栓 | WCB |
四、气动陶瓷球阀 技术参数
| 公称通径DN(mm) | DN25~300mm |
|---|
| 公称压力(MPa) | PN1.6-32.0MPa |
| 连接方式 | 法兰、螺纹 |
| 阀体材质 | 碳钢+内衬陶瓷;不锈钢+内衬陶瓷 |
| 内件材质 | 陶瓷 |
| 适用温度 | -40℃~+425℃ |
| 适用介质 | 适用于高磨损或腐蚀性工况条件下,钢厂、高炉煤气除尘系统,电厂脱硫系统 |
| 配置执行机构 | AT、AR、AW系列单/双作用气动执行器 |
| 控制方式 | 开关两位控制、4~20mA模拟量信号控制 |
五、气动陶瓷球阀 执行器参数
| 执行器型号 | GT、AT、AR、AW系列单双作用气动执行器 |
|---|
| 供气压力 | 0.4~0.7MPa |
| 气源接口 | G1/4"、G1/8"、G3/8"、G1/2" |
| 环境温度 | -30~+70℃ |
| 作用形式 | 单作用执行机构:气关式(B)--失气时阀位开(FO);气开式(K)--失气时阀位关(FC) 双作用执行机构:气关式(B)--失气时阀位保持(FL);气开式(K)-- 失气时阀位保持(FL) |
六、气动陶瓷球阀 性能规范
| 设计与制造 | GB/T12224 |
|---|
| 结构长度 | GB/T12221 |
| 法兰尺寸 | GB/T9113.1 |
| 试验和检验 | JB/T9092 |
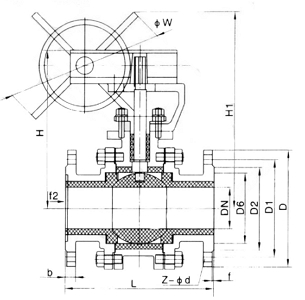
七、气动陶瓷球阀 结构图
八、气动陶瓷球阀 连接尺寸
| DN | PN(MPA) | L | D | D1 | D2 | b | f | z-<Dd |
|---|
| 15 | 1.6 | 130 | 95 | 95 | 45 | 14 | 2 | 4-14 |
| 20 | 130 | 105 | 75 | 55 | 14 | 2 | 4-14 |
| 25 | 140 | 115 | 85 | 65 | 14 | 2 | 4-14 |
| 32 | 165 | 140 | 100 | 78 | 16 | 2 | 4-18 |
| 40 | 165 | 150 | 110 | 85 | 16 | 3 | 4-18 |
| 50 | 203 | 165 | 125 | 99 | 16 | 3 | 4-18 |
| 65 | 220 | 185 | 145 | 118 | 18 | 3 | 4-18 |
| 80 | 241 | 200 | 160 | 132 | 20 | 3 | 8-18 |
| 100 | 305 | 220 | 180 | 156 | 20 | 3 | 8-18 |
| 125 | 356 | 250 | 210 | 185 | 22 | 3 | 8-18 |
| 150 | 394 | 285 | 240 | 211 | 24 | 3 | 8-23 |
| 200 | 457 | 340 | 295 | 265 | 26 | 3 | 12-23 |
注:由于产品改进技术创新参数可能有一定变化,公司不另行通知,请咨询公司技术部门索取新数据。
下载:上海江控阀门有限公司-产品样本-气动陶瓷球阀.PDF
气动陶瓷球阀链接:https://jakon.cn/list_3/432.html